
传感器的结构
MFU 系列质量流量计传感器。由测量管、测量管驱动装置、位置检测器、 支撑结构、温度传盛器、壳体等几部分组成。
①支撑结构测量管固定在支撑结构上。作为振动系统的震动轴心,同时也 是测量管路的一部分。
②测量管(振动管)由两根平行弯管组成。
③位置检测器用于检测测量管的扭曲变化。
④驱动装置产生电磁力用以驱动测量管使其以接近谐振频率振动。
⑤壳体保护测量管和驱动、检测装置。
工作原理:
当一个位于以P为固定点(旋转中心)作旋转运动的管子内的质点做朝向旋转中心或离向旋转中心的运动时,将产生一惯性力,原理如图1.1;
图1.1中质量为δm的质点以匀速υ在管道内向右运动,而管道围绕固定点P以角速度ω旋转。此时这个质点将获得两个加速度分量:(1)法向加速度αr(向心加速度),其值等于ω2r,方向指向P轴。
(2)切向加速度αt(科里奥利加速度),其值等于2ωυ,方向与αr垂直,
由切向加速度产生的作用力称为科里奥利力,其大小等于Fc=2ωυδm。在图中流体
δm=ρA×ΔX,因此科氏力可以表示为:ΔFc=2ωυ×δm=2ω×υ×ρ×A×ΔX
=2ω×δqm×ΔX
式中A:为管道内截面积 δqm=δdm/dt=υρA对于特定的旋转管道,其频率特性是一定的,
ΔFc仅取决于δqm。因此直接或间接测量科氏力就可以测量质量流量。科氏原理质量流量计就是根据上述原理工作的。
产品特点:
●可直接测量封闭管道内流体的质量流量,可作为高精度质量流量计使用(这对能源的计量和化学反应等生产过程控制具有重要意义);
●可直接测量介质的工作密度,可作为高精度在线密度计使用;
●采用了MVDTM测量技术(多变量数字处理系统)。MVDTM技术的应用强化了信号的滤波,极大提高了信号测量的灵敏度及准确度,加快了系统的响应时间,使测量更加可靠;
●MVDTM测量技术的采用使系统组成更加灵活方便。在很多场合MVD模块和传感器就可以组成完整的流量测量系统,而不需要配置流量转换器。例如CNG、LNG加气机系统、定量控制系统、流量或密度单位参数测量系统等;
●测量准确度高,质量流量测量精度可达到0.1%~0.2%,密度测量分辨率可达到0.001g/cm³;温度测量误差小于0.5度;
●密度、温度测量功能实现,可以派生介质浓度测量功能(两组分介质);
●安装要求不高(没有上下游直管段要求),传感器无机械可动部件、运行可靠;
●适用范围宽,同一台传感器可用于多种介质。
MFC低温型科里奥利质量流量计基本参数
管道口径 |
|
流体测量精度 |
|
重复性 | 0.05% |
密度测量范围 | 0<p<5g/cm³ |
密度测量精度 | ±0.001g/cm³ |
温度测量范围 | -200℃~350℃ |
温度测量精度 | ±1℃ |
被测介质温度 | -200℃~100℃ |
适用环境温度 | -40℃~70℃ |
测量管材质 | 316L |
工作压力 | 常规4Mpa,高压可特殊订制 |
防爆型等级 | Ex db ib llcT6 Gb;Ex ib tb c T80℃ Db |
防护等级 |
|
输出信号 | 4-20mA(双环流)、0-10KHZ频率信号、脉冲当量信号、RS485、HART |
MFC低温型科里奥利质量流量计测量范围
型 号 | 公称通径(mm) | 流量范围 |
MFC-003 | 3 | 0.09t/h~0.18t/h |
MFC-006 | 6 | 0.48t/h~0.96t/h |
MFC-015 | 15 | 0.25t/h~4.5t/h |
MFC-020 | 20 | 0.36t/h~7.2t/h |
MFC-025 | 25 | 0.6t/h~12t/h |
MFC-040 | 40 | 1.8t/h~36t/h |
MFC-050 | 50 | 3t/h~60t/h |
MFC-080 | 80 | 10t/h~200t/h |
MFC-100 | 100 | 14t/h~280t/h |
MFC-150 | 150 | 24t/h~480t/h |
MFC-200 | 200 | 45t/h~900t/h |
传感器安装
●传感器安装的基本要求
1.MF(X)质量流量计传感器安装应使传感器流向标识与流体流向一致。
2.科氏质量流量计是根据测量管振动原理测量的流量仪表,因此传感器安装时应考虑相关管路做坚固的支撑,避免仪表及相关管路产生震动。
3.若强烈的管道振动不可避免时,建议用柔性管将管道系统与仪表传感器隔离。
4.安装时连接法兰面应相互平行,使两个法兰的中心位于同一轴线,避免产生附加应力。
5.测量液体流量时应尽可能使流体流向从下至上,同时应避免仪表安装在管路最高处,防止管路气体聚集 影响仪表的正常工作。
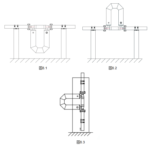
●传感器的安装方式
为保证测量的可靠性,仪表的安装方式要考虑以下几个因素:
1.当质量流量计测量液体时,壳体应向下安装。如图8.1所示,防止气体聚集在传感器振管。
2.当质量流量计测量气体时,壳体应向上安装,如图8.2所示,防止液体聚集在传感器振管内。
3.当测量的介质是悬浊液时,传感器应采用侧立式安装如图8.3所示。介质的流动方向是自下而上通过传感器流。
